Bơm Thủy Lực Cánh Gạt VP Áp 70 KG
Hiện nay trên thị trường có rất nhiều loại bơm cánh gạt. Bơm cánh gạt VP là một trong những loại bơm thủy lực thông dụng nhất hiện nay
Cách Nhận Biết Bơm Thủy Lực Cánh Gạt VP
Bạn Cần Tham Khảo Thông Số Kĩ Thuật - Catolog Cửa Bơm Thủy Lực Cánh Gạt VP Để Thiết Kế Bộ Nguồn
Bạn Cần Thay Thế, Sửa Chữa Bơm Thủy Lực Cánh Gạt VP
1: Cách Nhận Biết Bơm Thủy Lực Cánh Gạt VP.
Cấu Tạo Bơm VP
+ Gồm 2 phần Chính
_ Thân Bơm : Trục bơm là trục trơn, cá bơm là hình hộp chữ nhật

: Bích Định Vị là hình tròn

: Khoang áp suất
: Cửa hút , cửa đẩy ( cửa sinh áp ) là ren trong
: Núm chỉnh lưu lượng

_ Chỉnh áp : Núm chỉnh áp bằng lục giác
: Cửa hồi dầu về thùng cũng là ren trong
=> Bơm Thủy Lực Cánh Gạt VP là bơm có chỉnh áp liền với thân bơm, sử dụng áp suất thấp từ 0- 70 kg = 7MPA
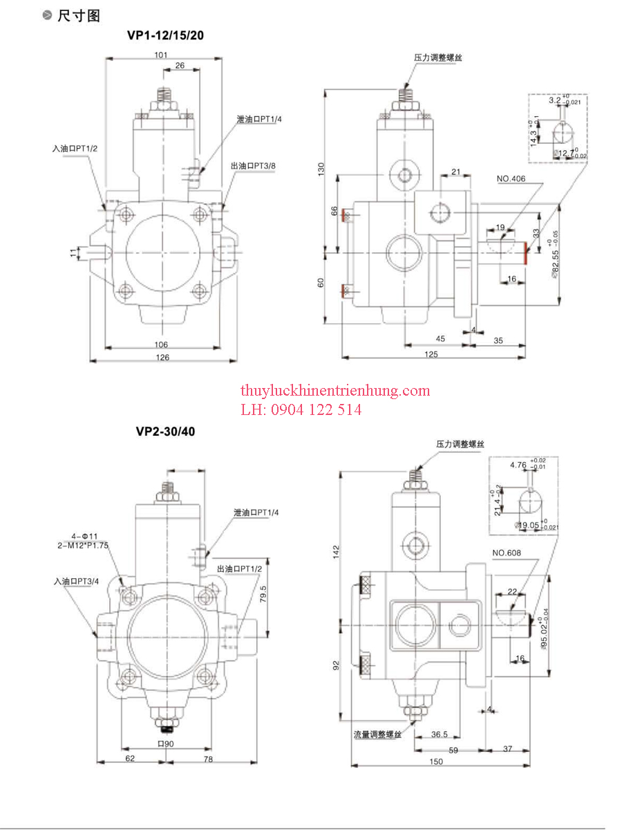
2: Thông Số Kĩ Thuật - Catolog Của Bơm Thủy Lực Cánh Gạt VP
A: Phân Loại Bơm VP
Các Loại Modem bơm VP được sản xuất : VP 12, VP 15 , VP 20 , VP 30 , VP 40
Kích Xét về kích thước bơm VP được chia làm 2 loại
Loại 1 : Bơm Hai tai lưu lượng nhỏ VP 12, VP 15 , VP 20

- VP là kí hiệu của nhà sản xuất để phân biệt với các dòng bơm khác
- 12, 15 , 20 là lượng ( lít ) với tốc độ động cơ quay là 1.800 vòng/ 1 phút
<=> VP 12 = 6,6 cc/ 1 vòng quay, VP15 = 8.3cc / 1 vòng quay, VP 20 = 11.1 cc /1 vòng quay
- Trục bơm thông dụng nhất hiện nay là 12.5 mm
- Bích định vị là 82,5 mm
- Khoảng cách 2 tai bơm là 106 mm - 126 mm
- Cửa hút chân ren là 1/2' , cửa đẩy ( cửa áp xuất ) chân ren 3/8' , cửa hồi dầu của bơm chân ren 1/4'
Loại 2 : Bơm Bốn tai : VP 30 , VP 40

- 30, 40 là lưu lượng ( lít ) với tốc độ động cơ quay là 1.800 vòng/1 phút
<=> VP 30 = 16.6 cc/1 vòng quay, VP 40 = 22.2 cc /1 vòng quay
- Trục bơm thông dụng nhất hiện nay là 19 mm
- Bích định vị là 95.02 mm
- Khoảng cách giữa 4 tai bơm là 90mm
- Cửa hút chân ren 3/4'' , cửa đẩy chân ren 1/2 '' , cửa hồi dầu của bơm chân ren 1/4'
B: Thông Số Kĩ Thuật - Catolog



Bơm Thủy Lực Cánh Gạt Áp 210KG

3: Bạn Cần Thay Thế, Sửa Chữa Bơm Thủy Lực Cánh Gạt VP
Để mua được bơm giống hệt với bơm của bạn Chúng ta cần đo các thông số sau đây
* Trục bơm
* Bích định vị bơm
* Khoảng cách tai bơm
Hoặc bạn có thể liên hệ trực tiếp tới Chúng tôi để được tư vấn nhanh nhất
Phòng kĩ thuật : 0907 956 036 - ZALO
Gmail: tudonghoatrienhung@gmail.com
Sản Phẩm Cùng Thể Loại
Bơm Bánh Răng
http://thuyluckhinentrienhung.com/bom-banh-rang
Bước 1: Truy cập website và lựa chọn sản phẩm cần mua để mua hàng
Bước 2: Click và sản phẩm muốn mua, màn hình hiển thị ra pop up với các lựa chọn sau
Nếu bạn muốn tiếp tục mua hàng: Bấm vào phần tiếp tục mua hàng để lựa chọn thêm sản phẩm vào giỏ hàng
Nếu bạn muốn xem giỏ hàng để cập nhật sản phẩm: Bấm vào xem giỏ hàng
Nếu bạn muốn đặt hàng và thanh toán cho sản phẩm này vui lòng bấm vào: Đặt hàng và thanh toán
Bước 3: Lựa chọn thông tin tài khoản thanh toán
Nếu bạn đã có tài khoản vui lòng nhập thông tin tên đăng nhập là email và mật khẩu vào mục đã có tài khoản trên hệ thống
Nếu bạn chưa có tài khoản và muốn đăng ký tài khoản vui lòng điền các thông tin cá nhân để tiếp tục đăng ký tài khoản. Khi có tài khoản bạn sẽ dễ dàng theo dõi được đơn hàng của mình
Nếu bạn muốn mua hàng mà không cần tài khoản vui lòng nhấp chuột vào mục đặt hàng không cần tài khoản
Bước 4: Điền các thông tin của bạn để nhận đơn hàng, lựa chọn hình thức thanh toán và vận chuyển cho đơn hàng của mình
Bước 5: Xem lại thông tin đặt hàng, điền chú thích và gửi đơn hàng
Sau khi nhận được đơn hàng bạn gửi chúng tôi sẽ liên hệ bằng cách gọi điện lại để xác nhận lại đơn hàng và địa chỉ của bạn.
Trân trọng cảm ơn.
Với mong muốn mang lại sự hài lòng cho quý khách khi mua hàng, chúng tôi có những quy định trong vận chuyển, nhằm đảm bảo rằng những sản phẩm quý khách mua là sản phẩm mà vừa ý nhất.
1. Chúng tôi sẽ được thực hiện và chuyển phát dựa trên mẫu khách hàng đã chọn. Trường hợp không có đúng sản phẩm Quý khách yêu cầu chúng tôi sẽ gọi điện xác nhận gửi sản phẩm tương tự thay thế.
2. Thời gian chuyển phát tiêu chuẩn cho một đơn hàng là 12 giờ kể từ lúc đặt hàng. Chuyển phát sản phẩm đến các khu vực nội thành thành phố trên toàn quốc từ 4 giờ kể từ khi nhận hàng, chuyển phát ngay trong ngày đến các vùng lân cận (bán kính từ 10km – 50km).
3. Các đơn hàng gửi đi quốc tế: không đảm bảo thời gian được chính xác như yêu cầu, không đảm bảo thời gian nếu thời điểm chuyển phát trùng với các ngày lễ, tết và chủ nhật tại khu vực nơi đến.
4. Trường hợp không liên lạc được với người nhận, người nhận đi vắng:
- Nếu chưa rõ địa chỉ chúng tôi sẽ lưu lại trong vòng 6 tiếng và liên lạc lại với người nhận, trong trường hợp ko liên lạc được đơn hàng sẽ bị hủy và không được hoàn lại thanh toán.
- Nếu địa chỉ là công ty, văn phòng, nhà ở… Chúng tôi sẽ gửi đồng nghiệp, người thân nhận hộ và ký xác nhận
- Để tại một nơi an toàn người nhận dễ nhận thấy tại nhà, văn phòng, công ty… Trường hợp này không có ký nhận.
5. Trường hợp người nhận không nhận đơn hàng:
- Chúng tôi sẽ hủy bỏ đơn hàng. Trường hợp này sẽ không được hoàn trả thanh toán.
6. Trường hợp không đúng địa chỉ, thay đổi địa chỉ:
- Không đúng địa chỉ: trường hợp sai địa chỉ chúng tôi sẽ lưu lại 6 tiếng và liên lạc với người gửi và người nhận để thỏa thuận về địa điểm, thời gian, nếu địa chỉ mới không quá 3km sẽ phát miễn phí. Trường hợp địa chỉ mới xa hơn 3km sẽ tính thêm phí theo quy định chuyển phát.
7. Trường hợp không tồn tại người nhận tại địa chỉ yêu cầu: đơn hàng sẽ được hủy và không được hoàn lại thanh toán.
8. Chúng tôi không vận chuyển sản phẩm đến các địa chỉ trên tàu hỏa, máy bay, tàu thủy, khu vực nguy hiểm, các khu vực cấm…